N-RACK
Have any product requirement
Call to Mobile
+91 9844993814
+91 9035100982
For any product enquiry or 3d model STEP file send your mail to
info@nrack.com

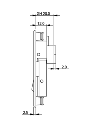
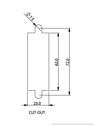
MS 603-3-1R

Product Image
product_iso_1