Have any product requirement call
to mobile
+91 9844993814
+91 9035100982
For any product requirement, Drawing and 3D model step file send your mail to
info@nrack.com
Home
About Us
Products
Key Locks
Panel Locks
Plane Locks
3 Point Locks
Handle And Knobs
Hinges
Air Vents
Gasketings
Canopy Locks
Other Accessories
Stainless Steel
Contact Us
Home
Products
Stainless Steel
RG 03-2S
RG 03-2S
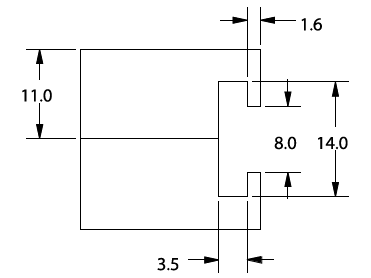
Technical Specification
Product Diagram
Download Catalogue
Material
SS 304 / SS316
Finish
SAND BLASTING
Please Download the catalogue of the article and product data sheet
Download
Related
Products
View More
MS 705-2S-4
MS 7098S-2-1E
KL 04 SS
NY 1113S
3 POINT LOCK SS ROUND ROD VERSION ASSEMBLY
MS 100-3S-1
PL 19H-1S
MS 739-4S-1
MS 314-2S
SHR 04 SS
DK 113
HN 21SS
HL 050S
HL 170S-3
MS 705-2S-3
OA 39S-3
PL 114S-1-L138
MS 314-1S
3 POINT LOCK SS FLAT ROD VERSION ASSEMBLY
HL 080
MS 705-2S-4
MS 7098S-2-1E
KL 04 SS
NY 1113S
3 POINT LOCK SS ROUND ROD VERSION ASSEMBLY
MS 100-3S-1
PL 19H-1S
MS 739-4S-1
MS 314-2S
SHR 04 SS
DK 113
HN 21SS
HL 050S
HL 170S-3
MS 705-2S-3
OA 39S-3
PL 114S-1-L138
MS 314-1S
3 POINT LOCK SS FLAT ROD VERSION ASSEMBLY
HL 080