N-RACK
Have any product requirement call
to mobile
+91 9844993814
+91 9035100982
For any product requirement, Drawing and 3D model step file send your mail to
info@nrack.com

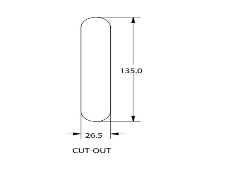
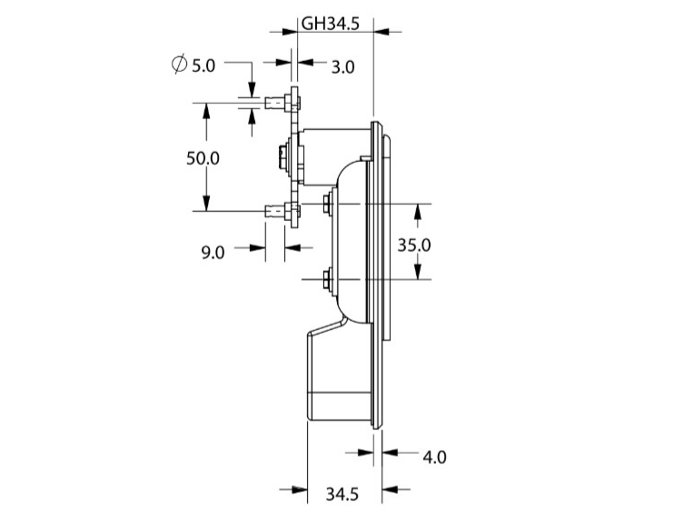
MS 480-2-1E

Product Image
product_iso_1 product_iso_2 product_iso_3 product_iso_4