N-RACK
Have any product enquiry
Call to Mobile
+91 9844993814
+91 9035100982
For any product enquiry or 3d model STEP file send your mail to
info@nrack.com

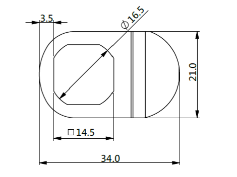
OA-46S BIG

Product Image